Model Number
-
1
H3478XRW
-
2
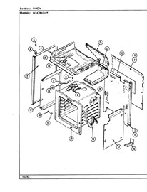
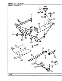
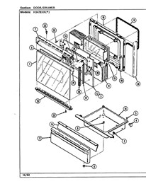
Choose the diagram of the component your part is located in:
-
3
Loading parts of sections